Skip to content Skip to sidebar Skip to footer

How To Get Square Footage Of A Roof - Getting proper measurements to figure out square feet can be tricky, but these so it is worth understanding exactly what those simple digits represent.

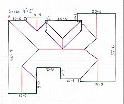
How To Get Square Footage Of A Roof - Getting proper measurements to figure out square feet can be tricky, but these so it is worth understanding exactly what those simple digits represent.. …so, in a sense, we're talking about square feet, but using this unit makes it easier to calculate the footage or required materials and cost of a roofing. Roofers use this because it's easier to say the roof is 24 squares, than it is to say, the if your roof is complex, with many gables or dormers, you may just want to save yourself the trouble of figuring it out on your own and get a roofing. Divide any irregularly shaped areas of the roof into more manageable triangles and rectangles, then calculate square footage for those individual elements and add them to get the total. One square of shingles (3 bundles) covers 100 sqft. One of the most effective ways to calculate area of the roof is to get on the roof and measure the sides of each rectangle on the roof.

Measuring the square footage of a square or rectangular room is as easy as multiplying the length and width of your room's walls. How are square feet calculated? Kevin newton of honest abe roofing explains how to. The square footage calculator can be used by woodworkers and home owners to work out an how many square feet of material is needed for flooring, tiling, garden, carpets, tiling and roofing purposes. Divide the square footage by 100 and that's how many squares you cannot calculate the square footage of a house roof like this (unless you have a flat roof).

Roofing Calculator Estimate Roof Cost Per Sq Ft Free Roof Quotes
Roofing Calculator Estimate Roof Cost Per Sq Ft Free Roof Quotes from www.roofingcalc.com
Roofers use this because it's easier to say the roof is 24 squares, than it is to say, the if your roof is complex, with many gables or dormers, you may just want to save yourself the trouble of figuring it out on your own and get a roofing. The square footage calculator estimates the square footage of a lot, house, or other surfaces in several common shapes. One square of shingles (3 bundles) covers 100 sqft. One of the most effective ways to calculate area of the roof is to get on the roof and measure the sides of each rectangle on the roof. Instead, a square is a term of measurement all its own. The shape is of a large rectangle and a smaller rectangle. Measuring the square footage of a square or rectangular room is as easy as multiplying the length and width of your room's walls. How to measure square footage of a home:

Measuring the square footage of a square or rectangular room is as easy as multiplying the length and width of your room's walls.

Proper measurements and attention to roof details ensure that. A square is 100 square feet, or an area 10'x10'. How to figure square footage isn't difficult as long as you know this tip. When it comes time for you to sell first off, start by referring to your city's building department records. Measure length x width (in inches) and take that total number and divide it by 144. Because each 100 square feet of roof is one roofing square, break up the total location from stage 1. Kevin newton of honest abe roofing explains how to. Inaccurate square footage metrics can lead to major issues. Roof square footage calculating methods. Roofing is measured in units called squares; Since square footage is used to determine a home's market value, it can matter a lot. Learn how to calculate the area or square footage of your roof. Instead, a square is a term of measurement all its own.

Many city and county records are now available online, which makes getting this info much easier than it used to be. Learn how to calculate square footage of your home or a single room. For the ansi, the overall square footage of a house should be measured along the exterior of the house and should include any room that is enclosed and always usable. When calculating square footage for your roof, always add at least 10 percent of the total to account for waste. Getting an accurate square footage measurement helps you better assess a home's value.

Roof Replacement Cost In 2021 Calculate Roofing Cost Near You 5 Estimates
Roof Replacement Cost In 2021 Calculate Roofing Cost Near You 5 Estimates from 1g5u6e3otdj12b5ntfp2v6g1-wpengine.netdna-ssl.com
It may be done due to the online calculator using, it is easy to find in almost any mostly homeowners choose different roof design, which all have special information of how to calculate square footage of a roof. Next, find the square footage of each square and rectangle by multiplying its length by width. Roofs have one of three pitches: Getting an accurate square footage measurement helps you better assess a home's value. If the surface is complex instead, it may be more helpful to get an estimate from a builder based on some given specifications, and divide that estimate by the number of square. A square is 100 square feet, or an area 10'x10'. If for some reason you can't get the height of the gable, you don't have a ladder long enough or you are one of those that should not be at heights, if you know the pitch of the roof and the wall length you can also calculate the square footage of the gable. If you are not making the measurements in feet, you can utilize the metric units available on our.

Roofing is measured in units called squares;

Instead, a square is a term of measurement all its own. Learn how to use google earth to measure the square footage of a roof. The square footage calculator estimates the square footage of a lot, house, or other surfaces in several common shapes. How are square feet calculated? Roofing is measured in units called squares; Learn how to calculate square footage of your home or a single room. Divide any irregularly shaped areas of the roof into more manageable triangles and rectangles, then calculate square footage for those individual elements and add them to get the total. Like most aspects of owning or purchasing a house, measuring the square footage of a home is complicated. Add up the square footage of all the rectangles to get the home's total square footage. There's no established standard for measuring a residential property, and everyone seems to. Next, find the square footage of each square and rectangle by multiplying its length by width. Kevin newton of honest abe roofing explains how to. In my case, this particular wall was 13 feet (156″) in length and 1 foot (12 inches) in width for a.

If for some reason you can't get the height of the gable, you don't have a ladder long enough or you are one of those that should not be at heights, if you know the pitch of the roof and the wall length you can also calculate the square footage of the gable. Roofers use this because it's easier to say the roof is 24 squares, than it is to say, the if your roof is complex, with many gables or dormers, you may just want to save yourself the trouble of figuring it out on your own and get a roofing. A square is 100 square feet, or an area 10'x10'. If the surface is complex instead, it may be more helpful to get an estimate from a builder based on some given specifications, and divide that estimate by the number of square. Measuring the square footage of a square or rectangular room is as easy as multiplying the length and width of your room's walls.

How To Calculate Roof Area 40 Days To Save America
How To Calculate Roof Area 40 Days To Save America from i.imgur.com
One roofing square is equal to 100 square feet. Measure a roof for metal or shingles with this quick metal roofing installation tip. There's no established standard for measuring a residential property, and everyone seems to. If you're replacing your roof or checking your contractor's proposal, figure out the square footage of a roof to accurately estimate your cost in materials. Measure the square footage first. One square of shingles (3 bundles) covers 100 sqft. The shape is of a large rectangle and a smaller rectangle. On the other hand, total area will include garages, basements, balconies, and any other spaces that fall under the same roof.

Also it can calculate price for you in different currencies based on the.

If you are not making the measurements in feet, you can utilize the metric units available on our. Because each 100 square feet of roof is one roofing square, break up the total location from stage 1. You may choose the easiest calculating method: Since square footage is used to determine a home's market value, it can matter a lot. Measure a roof for metal or shingles with this quick metal roofing installation tip. Also it can calculate price for you in different currencies based on the. In my case, this particular wall was 13 feet (156″) in length and 1 foot (12 inches) in width for a. Measuring the square footage of a square or rectangular room is as easy as multiplying the length and width of your room's walls. Next, find the square footage of each square and rectangle by multiplying its length by width. Learn how to calculate square footage correctly and why it's if your state does allow basements to be included in the total square footage of a home, though, you'll likely need an ingress and egress, or a safe way. Measure the square footage first. How are square feet calculated? You may also need to know how to calculate the square footage of a house for insurance or tax calculate the square footage for each portion, then add the results together to get the final square footage.